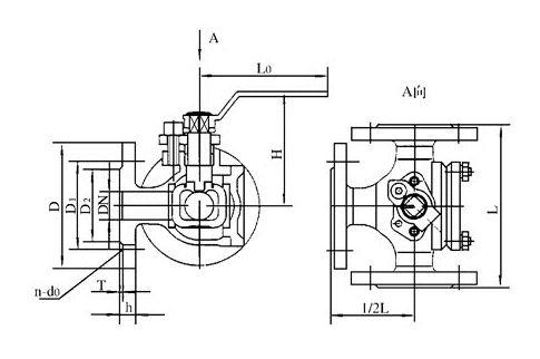
之前介绍组合式减压阀在国华惠州热电应用,现在介绍三通法兰式球阀操作规范三通球阀是指由三个流体通道的球阀,可分为L型和T型。L型三通球阀用于介质流向的切换,能使相互垂直的两个通道连通(如流向图L型)。三通球阀一般采用两阀座结构,亦可根据用户要求采用四阀座结构。四阀座密封三通球阀具有造型美观、结构紧凑合理,它不仅可实现介质流向的切换,也可使三个通道相互连通,同时也可关闭任一通道,使另外两个通道连通,灵活控制管路中介质的合流或分流。 三通球阀是一种新型的三通切换型调节阀。三通球阀有T型和L型。T型能使三条正交的管道相互联通和切断第三条通道,起分流、合流作用。L三通球阀型只能连接相互正交的两条管道,不能同时保持第三条管道的相互连通,只起分配作用。 必一体育bsport主营阀门有:蒸汽减压阀,减压阀(气体减压阀,可调式减压阀,水减压阀三通球阀操作方便,启闭迅速,从全开到全关只要旋转90℃。球阀结构简单,维修方便,密封圈拆卸更换比较方便。在全开或全闭时球体和阀座的密封面与介质隔离,介质通过时,不会引起阀门密封面的侵蚀与磨损。由于球阀在启闭过程中有擦拭性,所以可用于带悬浮固体颗粒的介质中。 为了保证阀杆处的密封,在阀体上增设了填料函和压盖进行密封。 三通球阀可选用各种配管法兰标准及法兰密封面型式,传动方式可选用手动、蜗轮传动,也可选用电动、气动、液动等驱动方式,便于远距离的控制,满足用户不同需求。  三通法兰式球阀操作规范三通球阀有T型和L型。 一、T型球阀流道的三通4面阀座球阀,采用4面阀座,受力平衡,保证闭止通道上可靠密封。能使三条正交的管道相互联通和切断第三条通道,起分流、合流作用,主要用于分流、混流、换向以及三通道的*开放。 二、L型球阀流道的三通4面阀座球阀,采用2面阀座。主要用于流路的换向。但是只能连接相互正交的两条管道,不能同时保持第三条管道的相互连通,只起分配作用。
 三、三通法兰式球阀操作规范三通球阀的特征 采用控制阀芯旋转角度 改变阀芯孔道与管道口的连接状态 可实现对三条支管不同的组合控制。三通球阀流通能力大,可控制气体、液体、蒸汽 更适用于控制高粘度 纤维颗粒状的流体。也适用于密封要求较严格的场合。
 四、三通球阀在球阀中的特殊优点: 1. 流体阻力小,其阻力系数与同长度的管段相等。 2. 结构简单、体积小、重量轻。 3. 紧密可靠、密封性好,在真空系统中也已广泛使用。 4. 操作方便,开闭迅速,从全开到全关只要旋转90°,便于远距离的控制。 5. 维修方便,球阀结构简单,密封圈一般都是活动的,拆卸更换都比较方便。 6. 在全开或全闭时,球体和阀座的密封面与介质隔离,介质通过时,不会引起阀门密封面的侵蚀。 7. 适用范围广,通径从小到几毫米,大到几米,从高真空至高压力都可应用。
 五、三通球阀的开关原理 三通球阀开启过程: A、在关闭位置,球体受阀杆的机械施压作用,紧压在阀座上; B、当逆时针转动手轮时,阀杆则反向运动,其底部角形平面使球体脱开阀座; C、阀杆继续提升,并与阀杆螺旋槽内的导销相互作用,使球体开始无摩擦地旋转; D、直至到全开位置,阀杆提升到极限位置,球体旋转到全开位置。 三通球阀关闭过程: A、关闭时,顺时针旋转手轮,阀杆开始下降并使球体离开阀座开始旋转; B、继续旋转手轮,阀杆受到嵌于其上螺旋槽内的导销的作用,使阀杆和球体同时旋转90°; C、 快要关闭时,球体已在与阀座无接触的情况下旋转了90°; D、手轮转动的后几圈,阀杆底部的角形平面机械地楔向压迫球体,使其紧密地压在阀座上,达到*密封。

三通球阀的工作原理是靠旋转阀恋来使阀门畅通或闭塞。球阀开关轻便,体积小,可以做成很大口径,密封可靠,结构 简单,维修方便,密封面与球面常在闭合状态,不易被介质冲蚀,在各行业得到广泛的应用。Q45F国标高平台法兰三通球阀(T型)三通球阀在结构上采用一体化结构,4面阀座的密封型式,法兰联接少,可靠性高,设计实现了轻量化。三通球芯分T形和L形,使用寿命长,流通能力大,阻力小。三通球阀在管路中主要用来做切断、分配和改变介质的流动方向。球阀是近年来被广泛采用的一种新型阀门。与本产品相关论文:禁油脱脂氧气减压阀操作维护
|